ТПП/ТПР/ТХА/ТНН-1к-П, -2к-П

ТПП/ТПР/ТХА/ТНН-1к-П, -2к-П
ТПП/ТПР/ТХА/ТНН-1к-П, -2к-П

Термопары с возможностью бездемонтажной проверки (защитная арматура из жаропрочной стали).

Проверочные преобразователи термоэлектрические ТПП-П, ТНН-П, ТХА-П, -В, -Р

Интервал между поверками — 1 год

Отправить заявку
ГарантияДо 12 месяцев со дня ввода в эксплуатацию, но не более 18 месяцев с даты изготовления, в пределах ресурса.
Основные технические характеристики

Предназначены для измерения температуры газообразных сред, воздуха, не взаимодействующих с материалом термоэлектродов и не разрушающих материал защитной арматуры.

Диапазон измеряемых температур, °С:

для ТПП 0…+1150 °С (t ном. = 1100 °С),

для ТПР +600…+1150 °С (t ном. = 1100 °С)

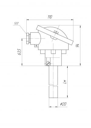
Защитная арматура -без штуцера, материал -сплав ХН45Ю диаметром 20мм, имеют канал для установки проверочного преобразователя диаметром 3мм, предназначенного для периодического контроля значений температуры рабочего преобразователя без его демонтажа. Материал головки-алюминиевый сплав. Термоэлектроды Ø 0,5х0,5 или Ø 0,4х0,5мм. Один чувствительный элемент. Усиленная защита термоэлектродов из алюмооксидной керамики. Рабочий спай изолирован. Герметичны к измеряемой среде. Для исполнения ТПП/ТПР -2к-П - два чувствительных элемента.

Техническая поддержка
Николай Воронин
Руководитель отдела поддержки клиентов (термометрия)
Тех. поддержка
Написать специалисту
Заказ