ТПП/ТПР-0192-05А, -05Б, -06А, -06Б, -05А1, -05Б1, -06А1, -06Б1

ТПП/ТПР-0192-05А, -05Б, -06А, -06Б, -05А1, -05Б1, -06А1, -06Б1
ТПП/ТПР-0192-05А, -05Б, -06А, -06Б, -05А1, -05Б1, -06А1, -06Б1

"Платиновые" термопары с чехлом из карбида кремния.

Отправить заявку
ГарантияГарантийный срок эксплуатации до 12 месяцев со дня ввода в эксплуатацию, но не более 18 месяцев с даты изготовления, в пределах ресурса.
Основные технические характеристики

Предназначены для измерения температуры газообразных нейтральных и окислительных сред, воздуха, инертных газов, не взаимодействующих с материалом термоэлектродов и неразрушающих материал защитной арматуры. Используются в печах с продуктами горения твердого и газообразного топлива (расплавы не разрушающие материал защитной арматуры).

Диапазоны измерения:

ТПП 0...+1300°С
ТПР +600...+1600°С

Номинальные статические характеристики:

для ТПП:   S, R;

для ТПР:   В (по ГОСТ Р 8.585).

Класс допуска чувствительного элемента:

для ТПП-1,2 (по ГОСТ 6616);

для ТПР-2 (по ГОСТ 6616).

ТПП/ТПР-0192-05А, -05Б, -06А, -06Б, -05А1, -05Б1, -06А1, -06Б1

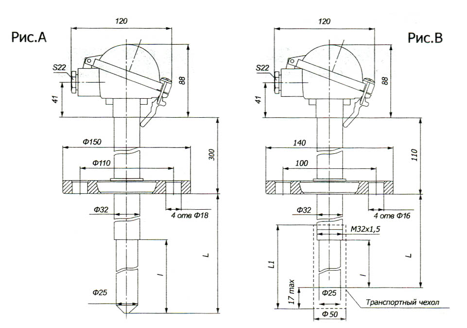
Защитная арматура — из сплава ХН45Ю (D); с фланцем; размер от фланца до головки 110 мм, Ø отверстий фланца — 16 мм, межцентровое расстояние отверстий во фланце —100 мм. Погружаемая часть — газоплотный карбид кремния (d), D/d = 32/35 мм, арматура прямая. 

Материал головки — алюминиевый сплав с керамической клемной колодкой. Термоэлектроды Ø0,5/0,5 мм. Рабочий спай изолирован. Негерметичны к измеряемой среде. Усиленная защита термоэлектродов с помощью керамического чехла Ø12x8 мм, с содержанием AL2O3 — 99,7% .

Техническая поддержка
Николай Воронин
Руководитель отдела поддержки клиентов (термометрия)
Тех. поддержка
Написать специалисту
Заказ