ТХА/ТХК/ТНН/ТЖК-0193К/1393К, -0193/1393-01К, -02К, -04К, -04СК; ТХА/ТХК-0193-03К

ТХА/ТХК/ТНН/ТЖК-0193К/1393К, -0193/1393-01К, -02К, -04К, -04СК; ТХА/ТХК-0193-03К
ТХА/ТХК/ТНН/ТЖК-0193К/1393К, -0193/1393-01К, -02К, -04К, -04СК; ТХА/ТХК-0193-03К

Датчики температуры с соединительной головкой из термостойкой пластмассы, с диаметром арматуры 10 и 8 мм и с кабельной вставкой

Отправить заявку
ГарантияДо 12 месяцев со дня ввода в эксплуатацию, но не более 18 месяцев с даты изготовления, в пределах ресурса.
Конфигурация и заказ
Выберите необходимые опции
Тип датчика
ТХА
ТХА
ТХК
ТХК
ТЖК
ТЖК
ТНН
ТНН
Температурный диапазон
-40 ... +400 ºC
-40 ... +600 ºC
-40 ... +750 ºC
-40 ... +800 ºC
-40 ... +900 ºC
-40 ... +1000 ºC
-40 ... +1250 ºC
Исполнение
00
К
01
01К
02
02К
03
03К
Материал арматуры/оболочки кабеля
12Х18Н10Т
10Х17Н13М2Т
Т4
10Х23Н18
Т1
ХН45Ю
Т3
Вид взрывозащиты
Без взрывозащиты
Exia
Ex
Тип присоединения к процессу
Без крепежных элементов
Штуцер
Штуцер подпружиненный
Утонение, мм
8х2,5
8х60
Нет
Длина монтажной части, (l), мм
10
10
20
20
40
40
60
60
80
80
100
100
120
120
160
160
200
200
250
250
320
320
400
400
500
500
630
630
800
800
1000
1000
1250
1250
1600
1600
2000
2000
2500
2500
3150
3150
Расстояние от соединительной головки до штуцера (длина "шейки"), мм
80
(80)
100
(100)
120
(120)
160
(160)
170
(170)
200
(200)
250
(250)
320
(320)
120 (без утонения)
Нет
Основные технические характеристики

Предназначены для измерения температуры газообразных и жидких химически неагрессивных и агрессивных сред, не взаимодействующих с материалом термоэлектродов и не разрушающих материал защитной арматуры. Датчики температуры с кабельной вставкой.

Диапазон измерения

ТХК-0193К, -01К, -02К, -03К; ТХА-1393К, -01К, -02К

-40...+600 °С

ТЖК-0193К, К-Т1,-Т4; -01К,-01К-Т1,-Т4; -02К,-02К-Т1,-Т4  

-40...+750 °С

ТХА-0193К, -01К, -02К, -03К; ТХА-1393К, -01К, -02К

-40...+800 °С

ТХА-0193К-Т4, -01К-Т4, -02К-Т4, -03К-Т4; ТХА-1393К-Т4, -01К-Т4, -02К-Т4

-40...+900 °С

ТХА/ТНН-0193К-Т1, -01К-Т1, -02К-Т1, -03К-Т1; ТХА/ТНН-1393К-Т1, -01К-Т1, -02К-Т1

-40...+1000 °С

ТНН -0193К-Т3; -01К-Т3; -02К-Т3; -1393К-Т3, -01К-Т3; -02К-Т3

-40...+1250 °С

Класс допуска чувствительного элемента:

для ТХА, ТЖК, ТНН — 1,2;
для ТХК — 2. 
В зависимости от материала защитной арматуры рекомендуются следующие измеряемые среды

Материал защитной арматуры

Измеряемая среда

Сталь 

12Х18Н10Т

Окислительные газовые среды, газовые потоки, разбавленные растворы азотной, уксусной кислот, щелочей и солей.

При температуре до +800 ºС — неподвижные окислительные газовые среды, при температуре до +600 ºС — газовые потоки, при наличии механических нагрузок. Не рекомендуются серосодержащие среды, а также соляная, серная, плавиковая, горячая фосфорная и кипящие органические кислоты. 

Сталь

10Х23Н18 (Т1)

Установки для конверсии метана, пиролиза. Не рекомендуются температуры +600…+800 ºС (из-за склонности стали к отпускной хрупкости).

Сталь — немагнитная, не устойчива к серосодержащим средам.

Сплав

ХН45Ю (Т3)

Неподвижная окислительная газовая среда, газовые потоки, наличие механических нагрузок.

Сталь

10Х17Н13М2Т (Т4)

Агрессивная кислотная среда, включая действие растворов кипящей фосфорной, серной, 10%-ной уксусной кислоты и сернокислые среды до +400 ºС.

ТХА/ТХК/ТЖК/ТНН-0193К

Материал головки — термостойкая пластмасса. Защитная арматура Ø10 мм, без штуцера. Рабочий спай изолирован. Условное давление измеряемой среды Ру=0,4 МПа. Один чувствительный элемент.

ТХА/ТХК/ТЖК/ТНН-1393К

То же, что ТХА/ТХК/ТЖК/ТНН-0193К, но два чувствительных элемента.

ТХА/ТХК/ТЖК/ТНН-0193К-01 

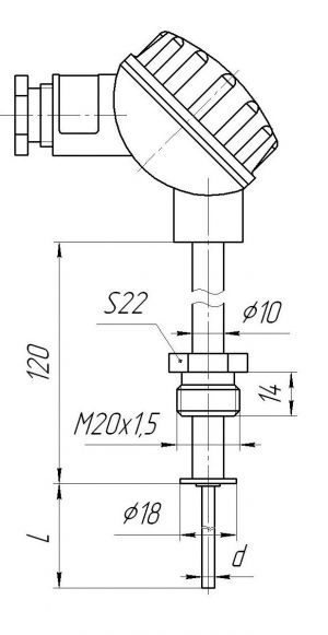
Материал головки — термостойкая пластмасса. Защитная арматура Ø10 мм, штуцер подвижный М20х1,5. Рабочий спай изолирован. Условное давление измеряемой среды Ру=6,3 МПа. Один чувствительный элемент.

ТХА/ТХК/ТЖК/ТНН-1393К-01

То же, что ТХА/ТХК/ТЖК/ТНН-0193К-01, но два чувствительных элемента.

ТХА/ТХК/ТЖК/ТНН-0193К-02

Материал головки — термостойкая пластмасса. Защитная арматура Ø10 мм, штуцер подвижный М20х1,5 и утонением 8х60 мм. Рабочий спай изолирован. Условное давление измеряемой среды Ру=6,3МПа. Один чувствительный элемент.

ТХА/ТХК/ТЖК/ТНН-1393К-02

То же, что ТХА/ТХК/ТЖК/ТНН-0193К-02, но два чувствительных элемента.

ТХА/ТХК-0193К-03

Материал головки — термостойкая пластмасса. Защитная арматура Ø10 мм, штуцер подвижный М20х1,5 и утонением 8х2 мм. Предусмотрена пружина для обеспечения надежного контакта с измеряемой поверхностью. Рабочий спай изолирован. Условное давление измеряемой среды Ру=6,3МПа. Один чувствительный элемент.

Техническая поддержка
Николай Воронин
Руководитель отдела поддержки клиентов (термометрия)
Тех. поддержка
Написать специалисту
Заказ